Engineering Design Jason Joe Mkh | Engineering | Surveying | Electrical | Construction Services | Powertek
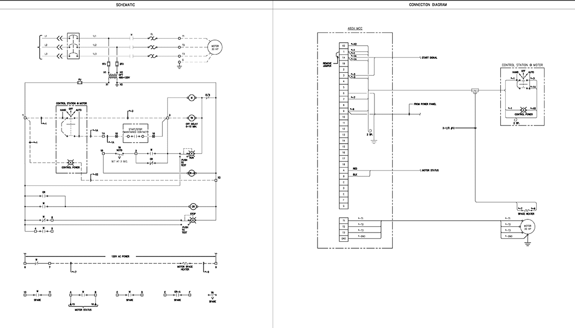
Example Motor Schematic | Engineering | Surveying | Electrical | Construction Services | Powertek
Pump Pipe | Engineering | Surveying | Electrical | Construction Services | Powertek

“FIT FOR PURPOSE ENGINEERING”

PowerTek provides innovative project management, engineering, design, survey, and procurement services to our clients. Our dedicated team has aided clients with projects from the conceptual design phase through system commissioning and as-built phase. We strive toward providing systems that fit seamlessly into the clients existing infrastructure, and meet all the client’s standards and preferences.

Our comprehensive team provides EPC project execution to meet our client’s needs. The constructability and historical job performance aspects of the work are optimized by utilizing our project lifecycle experience along with relying on our PowerTek construction experts. Schedule and cost efficiency are of utmost importance to us, not only of the specific project being worked, but with the future work of our client in mind. We actively promote Management of Change in the field throughout the life-cycle of the project to further augment safety, schedule, and cost efficiencies wherever necessary

The PowerTek Engineering/Design Group has decades of expertise with many levels of engineering and design, including, but not limited to, Electrical, Power & Distribution Systems, Control Systems, Lighting, and SPI.